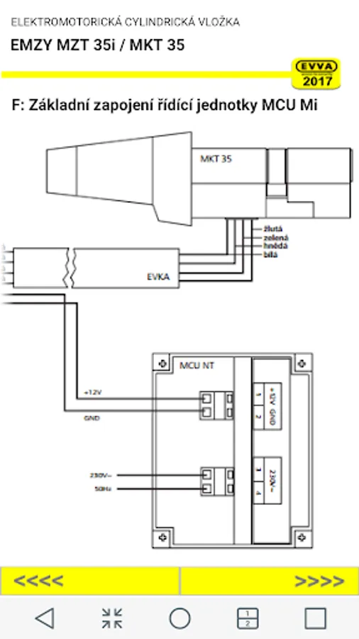
Detailed assembly instructions Emzy MZT 35i. MKT 35
The application also contains instructions for launching the first motor liners, description of potential failures and the procedure for their removal.
If despite all this and then something did not work ..... technik@evva.cz
The application also contains instructions for launching the first motor liners, description of potential failures and the procedure for their removal.
If despite all this and then something did not work ..... technik@evva.cz
Show More