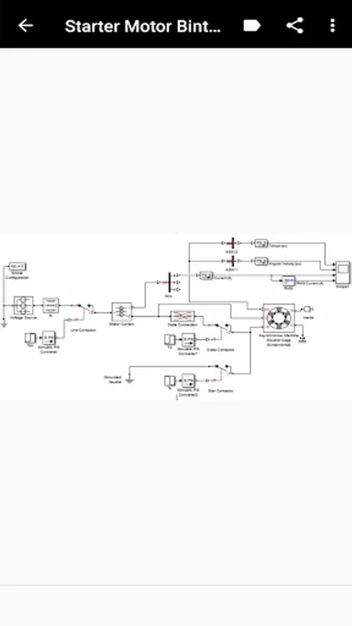
The function of the Star-Delta circuit itself is to reduce the start current which is the first time the motor is turned on Star delta is a system of starting motors that are most widely used for starting electric motors. By using a star delta starter, a surge in electricity that is too high can be avoided. the way it works is that when starting the motor is not subject to full voltage only 0.58 by means of star / star. After the motor rotates and the current has started to descend using the timer the current is moved into a triangle / delta so that the voltage and current flowing into the motor are full.
This application aims to help you learn about Starter Motor Bintang Delta, many images that we provide as learning material.
We hope this application helps you learn about the Star Delta Motor Starter.
Thank you,
May be useful.
This application aims to help you learn about Starter Motor Bintang Delta, many images that we provide as learning material.
We hope this application helps you learn about the Star Delta Motor Starter.
Thank you,
May be useful.
Show More