Skema Kelistrikan Mobil Korea icon

Skema Kelistrikan Mobil Korea

TroneStudio
Free
500+ downloads

About Skema Kelistrikan Mobil Korea

This application allows you to solve a problem with your car electrical circuit, including:
1. STARTING & CHARGING SYSTEM
   - BATTERY, IGNITION SWITCH, STARTER MOTOR, GENERATOR & PNP SWITCH CIRCUIT
2. ECM (ENGINE CONTROL MODULE)
   - BATTERY POWER SUPPLY, GROUND, EI SYSTEM & CKP SENSOR CIRCUIT
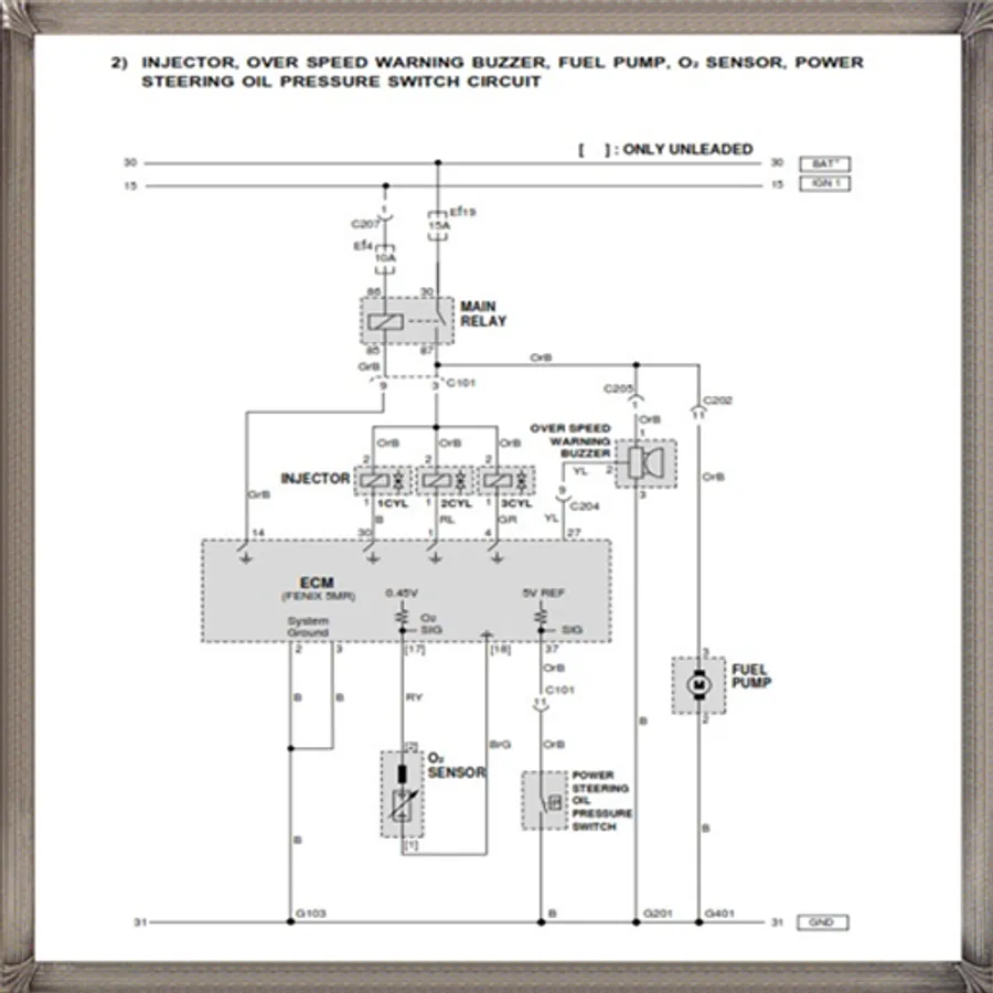
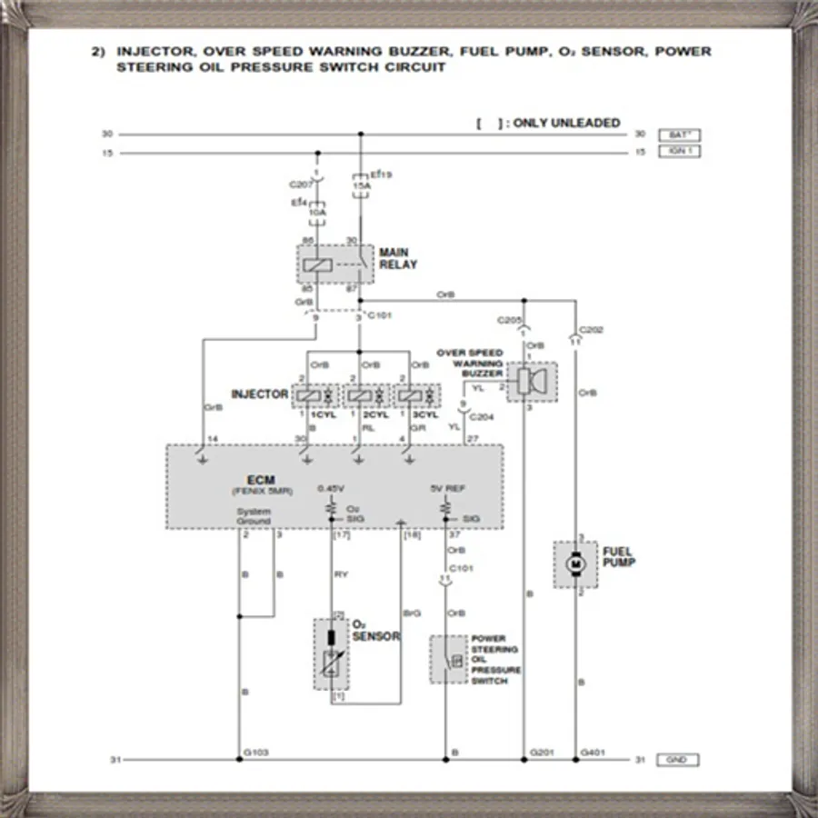
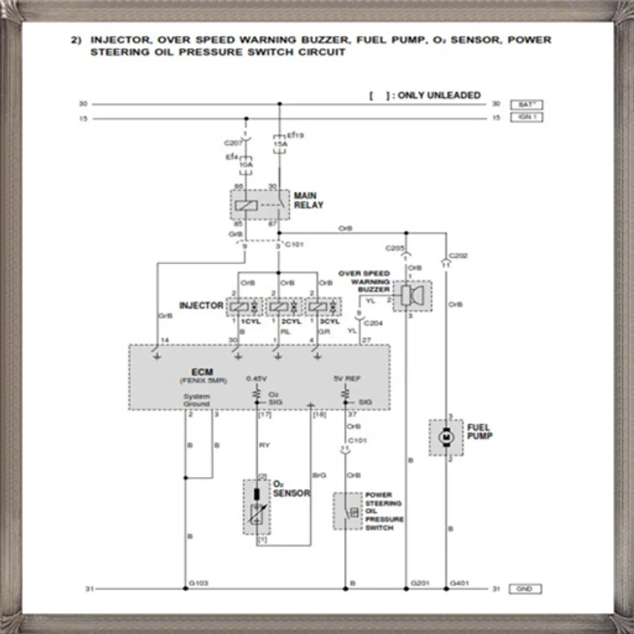
   - FUEL PUMP, FUEL CONNECTOR & CMP SENSOR CIRCUIT, INJECTOR & HEATED O2 SENSOR CIRCUIT
   - MTIA, IAC, SENSOR (MAP, ECT, TP, IAT, KNOCK, ACP, HO2S, O2 & ROUGH ROAD) EGR VALVE, LEGR CIRCUIT & POWER STEERING PRESSURE SWITCH CIRCUIT
   - EVAP CANISTER PURGE SOLENOID, CMP SENSOR, VGIS, CLUSTER & VSS CIRCUIT
   - CLUSTER, FUEL PUMP & TCM CIRCUIT
   - DLC, MIL LAMP & immobilizer CONTROL CIRCUIT & RON SWITCH CIRCUIT
3. TCM (TRANSMISSION CONTROL MODULE)
   - POWER SUPPLY, GROUND, PNP SWITCH, BRAKE SWITCH & SOLENOID VALVE CIRCUIT
   - SENSOR (INPUT SPEED, SPEED OUTPUT, TRANSMISSION FLUID TEMP), CLUSTER, DLC, ECM & HOLD MODE SWITCH CIRCUIT
   - PNP SWITCH & CLUSTER CIRCUIT
4. AIR CONDITIONER
   - AIR CONDITIONER CONTROL SWITCH, BLOWER MOTOR resister & BLOWER MOTOR CIRCUIT
   - AIR CONDITIONER CONTROL, INTAKE MOTOR & AIR CONDITIONER COMPRESSOR SWITCH CIRCUIT
5. FATC (FULL AUTOMATIC TEMPERATURE CONTROL)
   - BLOWER MOTOR, INTAKE MOTOR, MODE MOTOR, MAX HIGH RELAY & POWER TR CIRCUIT
   - SENSOR (AMBIENT, seek, SUN & WATER), AIR MIX DOOR MOTOR, A / C COMPRESSOR & ECM CIRCUIT
6. RADIATOR COOLING FAN CIRCUIT
7. HEAD LAMP & HEAD LAMP DEVICE Leveling (HLLD) CIRCUIT
8. Illumination CIRCUIT
   - Illumination CIRCUIT - W / DIMMER CONTROL
   - LAMP (LICENSE PLATE & W / FRONT / REAR PARKING) CIRCUIT
9. FRONT & REAR FOG LAMP CIRCUIT
10. HAZARD & TURN SIGNAL LAMP CIRCUIT
11. STOP LAMP, CENTER HIGH MOUNT STOP LAMP (CHMSL) & REVERSE LAMP CIRCUIT
12. OPEN TRUNK SWITCH, TRUNK LATCH SWITCH, TRUNK ROOM LAMP & HORN CIRCUIT
   - DUAL HORN
   - signle HORN
13. LAMPS (MAP & ROOM) CIRCUIT
   - W / O SUN ROOF & W / O DECAY
   - W / SUN ROOF & W / O DECAY
14. CLOCK, CIGAR LIGHTER, ASHTRAY ILLUM.LAMP & EXTRA POWER JACK CIRCUIT
   - M / T
   - A / T
15. CHIME BELL, SEAT BELT & KEY Remind SWITCH CIRCUIT
16. WIPER CIRCUIT
   - W / O RAIN SENSOR & AIR CONDITIONER, FATC
   - W / RAIN SENSOR & AIR CONDITIONER, FATC
17. REAR WINDOW defroster and OSRV MIRROR HEATING SYSTEM CIRCUIT
18. ELECTRIC OSRV (OUTSIDE REAR VIEW) MIRROR CIRCUIT
19. FOLDING MIRROR UNIT CIRCUIT
20. POWER WINDOW CIRCUIT
   - ONLY FRONT POWER WINDOW CIRCUIT
   - FRONT & REAR POWER WINDOW CIRCUIT
21. CENTRAL DOOR LOCKING SYSTEM CIRCUIT
22. CLUSTER
   - TEMPERATURE GAUGE, TACHOMETER, FUEL GAUGE, ODDOMETER, speedometer & FUEL WARNING LAMP CIRCUIT
   - WARNING (MIL, ABS, TCS, PARKING BRAKE & CHARGING) LAMP CIRCUIT
   - WARNING (SSPS, AIR BAG, OIL PRESSURE & SEAT BELT) LAMP & HOLD MODE CIRCUIT
   - INDICATOR LAMP (FRONT & REAR FOG) & DOOR OPENING WARNING LAMP CIRCUIT
   - INDICATOR LAMP (TURN SIGNAL, HIGH BEAM & HAZARD) & Illumination LAMP CIRCUIT
23. AUDIO CIRCUIT
   - W / O RDS
   - W / RDS
24. ABS (ANTI-LOCK BRAKE SYSTEM)
   - POWER SUPPLY, WHEEL SPEED SENSOR & BRAKE SWITCH CIRCUIT
   - OIL FEEDING CONNECTOR, WARNING (ABS, TCS & BRAKE) LAMP & DLC CIRCUIT
25. AIR BAG (HR: SENSING & DIAGNOSTIC MODULE) CIRCUIT
26. SUN ROOF CIRCUIT
27. SSPS (SPEED SENSITIVE POWER STEERING) CIRCUIT
28. Immobilizer SYSTEM CIRCUIT
29. ANTI-THEFT CONTROL SYSTEM CIRCUIT
download for free, may be useful

Skema Kelistrikan Mobil Korea Screenshots