In industry, the PLC is the most important automation device because of its role as the brain in running industrial processes. This brain uses syntax to be able to perform tasks in an orderly, sequential manner.
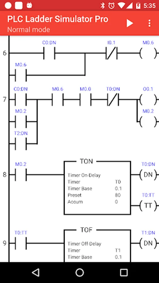
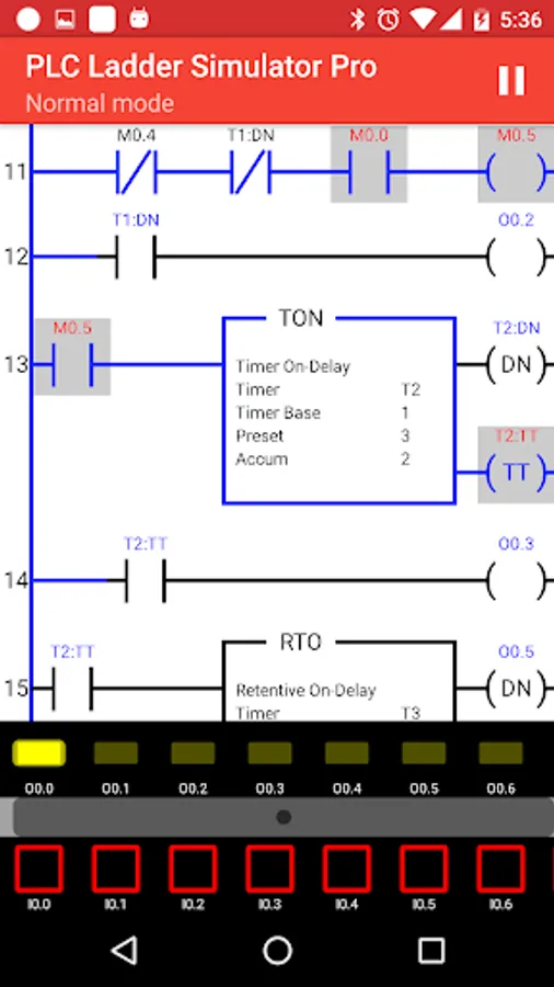
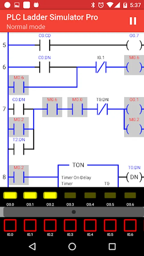
The native language of the PLC is called “ladder logic”. Ladder logic is graphical, in that it can be laid out in a form that resembles a ladder with rails and rungs. Ladder logic diagrams were developed originally from relay-circuit diagrams that were used for electronic circuitry prior to the advent of PLCs.
PLC Ladder Simulator is a simulator for the Android operating system with input and output objects that simulate the I/O ports of a real PLC. You can use PLC Ladder Simulator to create ladder-logic diagrams using components from the standard set used in these diagrams.
PLC Ladder Simulator PRO features a unique option available in the world and it's the possibility to program an Arduino board with a ladder design using an Android phone. So actually what it does is that transforms an Arduino into a PLC (Programmable Logic Controller). The app writes a code into the Arduino by using a USB OTG cable, a Bluetooth module or an Ethernet shield.
The Arduino mode it's compatible with the Arduino UNO (atmega328), MEGA (atmega2560), NANO (atmega328), DUE, Pro Mini, M5Stack ESP32, MH-ET LIVE ESP32 DevKit, and NodeMCU V3 LUA ESP8266.
The Pro version features compared with the Free version are:
- Arduino Mega board is available in Arduino mode.
- Arduino Nano board available in Arduino mode.
- Export .PLC file for the PC PLC Loader tool.
- ROL ladder function.
- ROR ladder function.
- SCL ladder function.
- No restriction for counters.
- No restriction for timers.
- 10 save slots to keep more designs with slot name customization.
Tutorial on how to use the Arduino mode can be found at http://plcladdersimulator.weebly.com/pro-edition.html
IMPORTANT 1: No refunds will be made after past 72 hours after the purchase of the app if the reason is to have issues with the Arduino mode, for example having issues programming the Arduino board using the app, this due the user can download the free version of the app and test it to see if the Arduino board and the Android device of the user are compatible with the app.
IMPORTANT 2: Before you buy this version you can try the FREE version to ensure that your device is compatible.
-> PLC Ladder Simulator: https://play.google.com/store/apps/details?id=com.casdata.plcladdersimulator
The native language of the PLC is called “ladder logic”. Ladder logic is graphical, in that it can be laid out in a form that resembles a ladder with rails and rungs. Ladder logic diagrams were developed originally from relay-circuit diagrams that were used for electronic circuitry prior to the advent of PLCs.
PLC Ladder Simulator is a simulator for the Android operating system with input and output objects that simulate the I/O ports of a real PLC. You can use PLC Ladder Simulator to create ladder-logic diagrams using components from the standard set used in these diagrams.
PLC Ladder Simulator PRO features a unique option available in the world and it's the possibility to program an Arduino board with a ladder design using an Android phone. So actually what it does is that transforms an Arduino into a PLC (Programmable Logic Controller). The app writes a code into the Arduino by using a USB OTG cable, a Bluetooth module or an Ethernet shield.
The Arduino mode it's compatible with the Arduino UNO (atmega328), MEGA (atmega2560), NANO (atmega328), DUE, Pro Mini, M5Stack ESP32, MH-ET LIVE ESP32 DevKit, and NodeMCU V3 LUA ESP8266.
The Pro version features compared with the Free version are:
- Arduino Mega board is available in Arduino mode.
- Arduino Nano board available in Arduino mode.
- Export .PLC file for the PC PLC Loader tool.
- ROL ladder function.
- ROR ladder function.
- SCL ladder function.
- No restriction for counters.
- No restriction for timers.
- 10 save slots to keep more designs with slot name customization.
Tutorial on how to use the Arduino mode can be found at http://plcladdersimulator.weebly.com/pro-edition.html
IMPORTANT 1: No refunds will be made after past 72 hours after the purchase of the app if the reason is to have issues with the Arduino mode, for example having issues programming the Arduino board using the app, this due the user can download the free version of the app and test it to see if the Arduino board and the Android device of the user are compatible with the app.
IMPORTANT 2: Before you buy this version you can try the FREE version to ensure that your device is compatible.
-> PLC Ladder Simulator: https://play.google.com/store/apps/details?id=com.casdata.plcladdersimulator
Show More