OPTICHECK Temperature Mobile is a great tool for people working with service and maintenance as it provides a quick health check of your process.
- User friendly interface
Optimized interface for smartphones and tablets for an easy and convenient configuration
- Copy and save time
Copy and paste a configuration to as many transmitters as you like without making any changes and it only takes seconds.
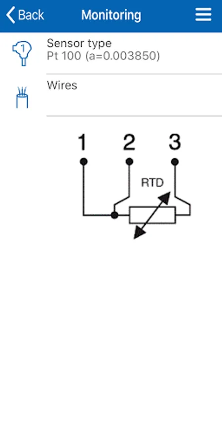
- Live Monitoring
The live monitoring and diagnostics in OPTICHECK Temperature Mobile makes it possible to follow the process temperature in real time.
- Get full control of your process
In the app you can see the ambient temperature and supply voltage the transmitter has been exposed to. This allows you to detect peaks that could damage the process control.
- Additional product information
Quick links to each product page for extra information about the transmitter.
- User friendly interface
Optimized interface for smartphones and tablets for an easy and convenient configuration
- Copy and save time
Copy and paste a configuration to as many transmitters as you like without making any changes and it only takes seconds.
- Live Monitoring
The live monitoring and diagnostics in OPTICHECK Temperature Mobile makes it possible to follow the process temperature in real time.
- Get full control of your process
In the app you can see the ambient temperature and supply voltage the transmitter has been exposed to. This allows you to detect peaks that could damage the process control.
- Additional product information
Quick links to each product page for extra information about the transmitter.
Show More