Manuales de taller 1.0 icon

Manuales de taller 1.0

gcr

4.2

store rating

10,000+

downloads

Free

AppRecs review analysis

AppRecs rating 3.7. Trustworthiness 55 out of 100. Review manipulation risk 30 out of 100. Based on a review sample analyzed.

★★★☆☆

3.7

AppRecs Rating

Ratings breakdown

5 star

80%

4 star

0%

3 star

0%

2 star

0%

1 star

20%

What to know

High user satisfaction

80% of sampled ratings are 4+ stars (4.2★ average)

Authentic reviews

No red flags detected

About Manuales de taller 1.0

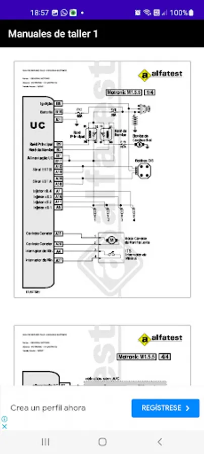
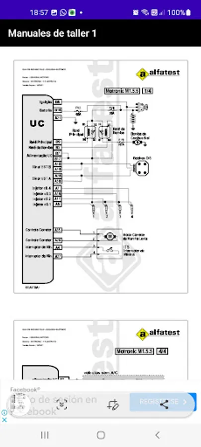
Compilation of technical information and workshop manuals by brand and model, free and free to view on your phone or tablet. Information that is constantly updated, ideal for the automotive technician, electrical schematics, workshop manuals, pinouts, sensors, etc.
Manuales de taller 1.0 Screenshots
Screenshot 1Screenshot 2Screenshot 3Screenshot 4Screenshot 5Screenshot 6Screenshot 7
Similar to Manuales de taller 1.0

©2023 Verdant Labs LLC. All rights reserved.

Privacy PolicyContact