PIC Microcontroller Projects
Archer Software Solution
5,000+
downloads
Free
AppRecs review analysis
AppRecs rating . Trustworthiness 55 out of 100. Review manipulation risk 54 out of 100. Based on a review sample analyzed.
★
AppRecs Rating
Ratings breakdown
5 star
100%
4 star
0%
3 star
0%
2 star
0%
1 star
0%
What to know
⚠
Questionable review patterns
54% review manipulation risk - some review patterns appear unusual
⚠
Unusually uniform ratings
100% of sampled ratings are 5 stars with very little variation
About PIC Microcontroller Projects
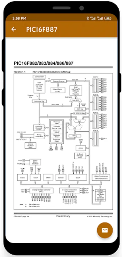
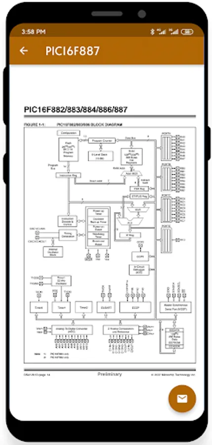
PIC Microcontroller Projects with PIC16F887, MPLAB X IDE, XC8 Compiler, MPASM Compiler and Proteus Simulation files.
If you are an electronic/computer/ engineering student or hobbyist in Embedded Systems and firmware design, you should use this app. This mobile app, "PIC Microcontroller Projects", brings stunning projects and example codes for you. Instead of using libraries which were developed by other engineers and developers, all projects in this app are based on the registers which can only be found in the datasheet of the PIC16F887. Additionally, you will also get proteus simulation files for every single project in this mobile app.
"PRO" version of this app can be downloaded in the following Google Play Store link.
https://play.google.com/store/apps/details?id=com.picmicrocontroller_pro
More projects will be added soon!
If you are an electronic/computer/ engineering student or hobbyist in Embedded Systems and firmware design, you should use this app. This mobile app, "PIC Microcontroller Projects", brings stunning projects and example codes for you. Instead of using libraries which were developed by other engineers and developers, all projects in this app are based on the registers which can only be found in the datasheet of the PIC16F887. Additionally, you will also get proteus simulation files for every single project in this mobile app.
"PRO" version of this app can be downloaded in the following Google Play Store link.
https://play.google.com/store/apps/details?id=com.picmicrocontroller_pro
More projects will be added soon!