Piping Dimensions Pro

Piping Dimensions Pro icon

Piping Dimensions Pro

Jitendra Surve

About Piping Dimensions Pro

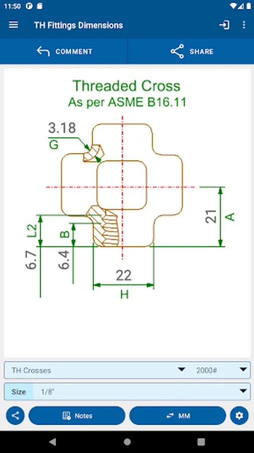
This application provide dimensions of piping fittings as per American Standards and MSS Standards.

1. Quick Dimensions
2. Pipe Dimensions
3. Socketweld Fittings Dimensions
4. Threaded Fittings Dimensions
5. Buttweld Fittings Dimensions
6. Flange Dimensions
7. Line Blanks Dimensions
8. MSS Fittings Dimensions
9. Valve Dimensions
Piping Dimensions Pro Screenshots
Screenshot 1Screenshot 2Screenshot 3Screenshot 4Screenshot 5Screenshot 6
Similar to Piping Dimensions Pro

©2023 Verdant Labs LLC. All rights reserved.

Privacy PolicyContact