App
Recs
A
R
iOS
Android
Waveguide
tos.kuwa
Free
out of 5
10+
downloads
Google Play
Find it for iOS
About Waveguide
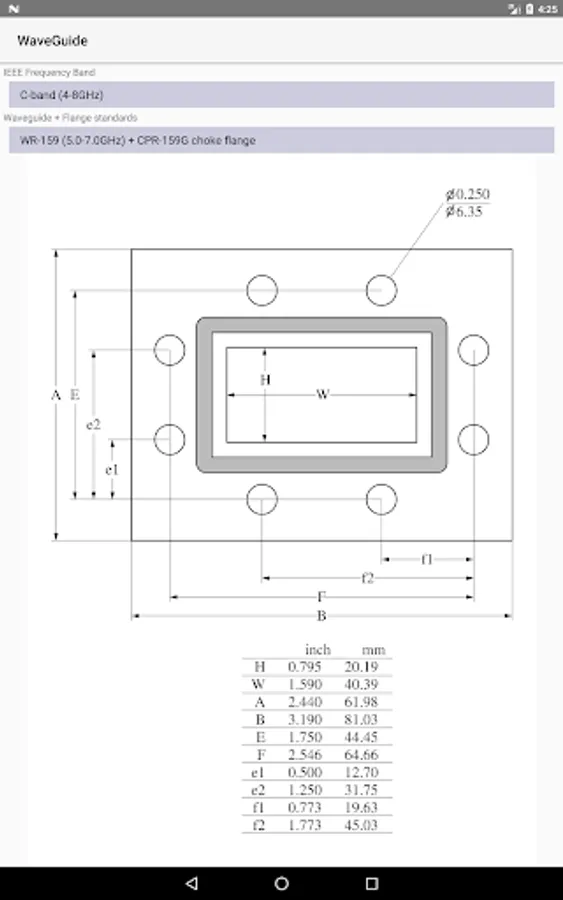
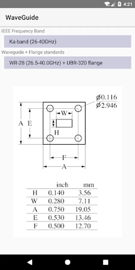
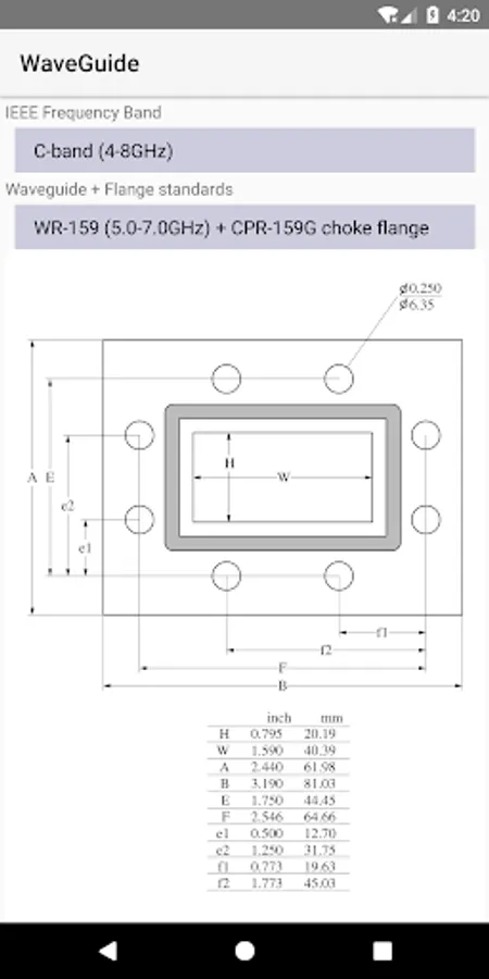
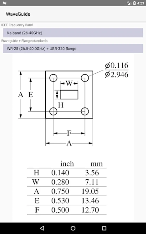
This app displays common waveguide and flange shapes and their dimensions. You can also zoom in by pinching.
Show More
Waveguide Screenshots
Similar to Waveguide
PLL
MslBPF
Chebyshev
Linecalc
Friis
More from tos.kuwa
Friis
MslBPF
PLL
Chebyshev
Linecalc