An application contains control circuits and some power circuits
- Lighting two lamps from one switch, and a lamp through two keys.
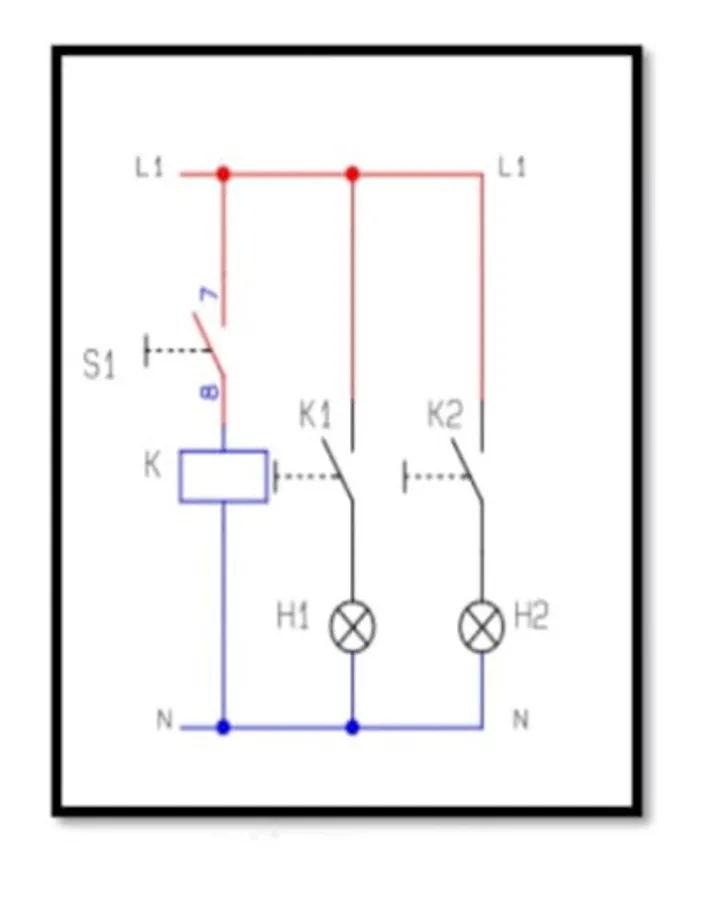
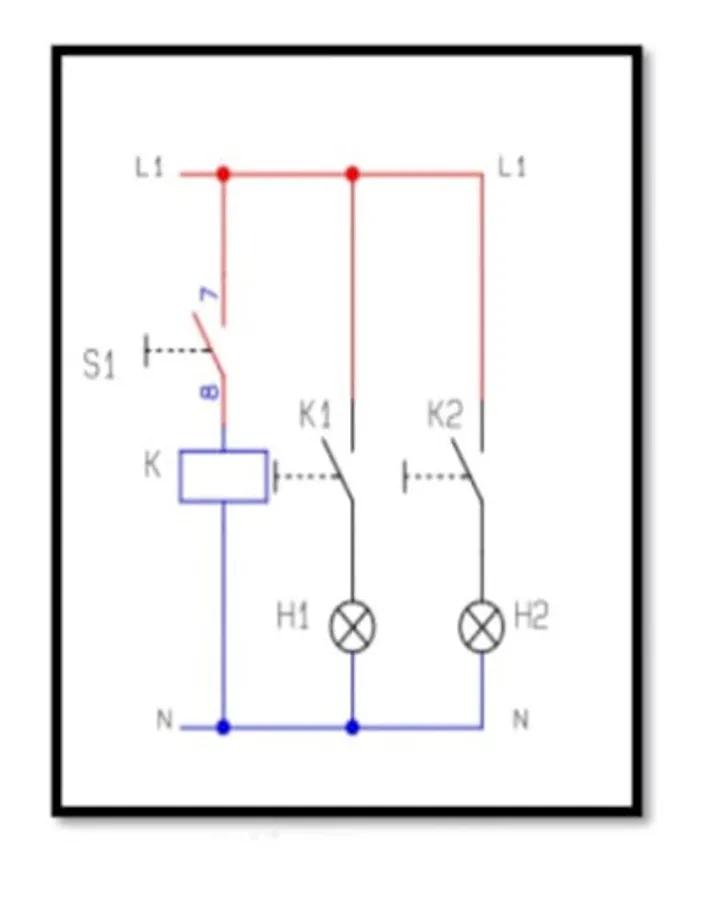
- Lighting diagram of one, two, and three lamps by contactor: that is, when pressing the switch, 2 lamps light together, and when pressing the switch, the lamps turn off.
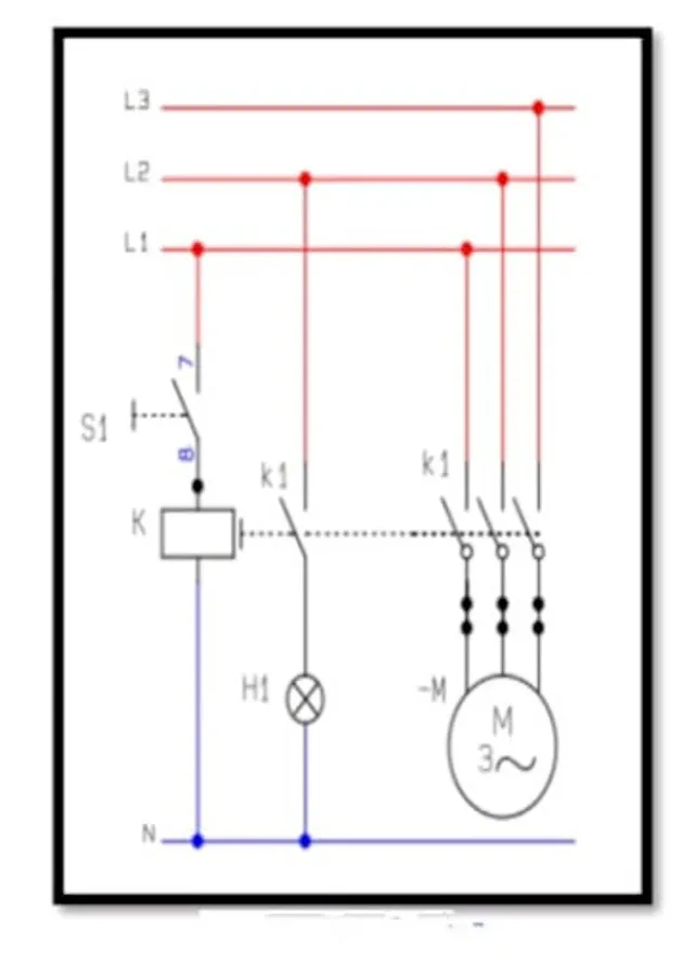
- Starting a 3 phase motor with a light on, and then keeping it running after the time the switch is pressed.
Stair plan: lighting from two different places.
- Starting an engine from two places and turning it off from two places.
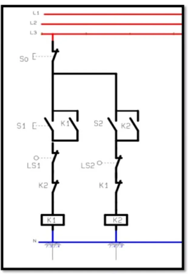
- Control and power reversing circuit: for two motors.
- Engine shutdown by pressure switch: it stops when the switch is pressed or the air pressure reaches 4 bar.
Easy to use Feel free to download the application.
- Lighting two lamps from one switch, and a lamp through two keys.
- Lighting diagram of one, two, and three lamps by contactor: that is, when pressing the switch, 2 lamps light together, and when pressing the switch, the lamps turn off.
- Starting a 3 phase motor with a light on, and then keeping it running after the time the switch is pressed.
Stair plan: lighting from two different places.
- Starting an engine from two places and turning it off from two places.
- Control and power reversing circuit: for two motors.
- Engine shutdown by pressure switch: it stops when the switch is pressed or the air pressure reaches 4 bar.
Easy to use Feel free to download the application.
Show More