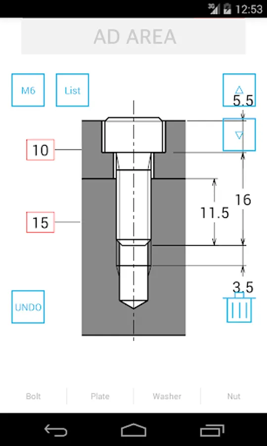
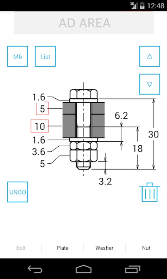
This app is an application for calculating the length of the screw.
※:This app does not guarantee the effectiveness of the combination.
※:Use this application at your own risk.
Conforms to the Japanese Industrial Standards (JIS).
Screws are all metric coarse screw.
For mechanical design.
Sorry, Only in Japan.Because using the JIS.
※:This app does not guarantee the effectiveness of the combination.
※:Use this application at your own risk.
Conforms to the Japanese Industrial Standards (JIS).
Screws are all metric coarse screw.
For mechanical design.
Sorry, Only in Japan.Because using the JIS.
Show More