Looking for a specific part? Maybe a torque value for the cylinder bolt?
Then you've come to the right place, everything you need to maintain your Honda MSX125 and keep it in the best possible condition!
Feature-packed with;
• Good UI
• Easy to use
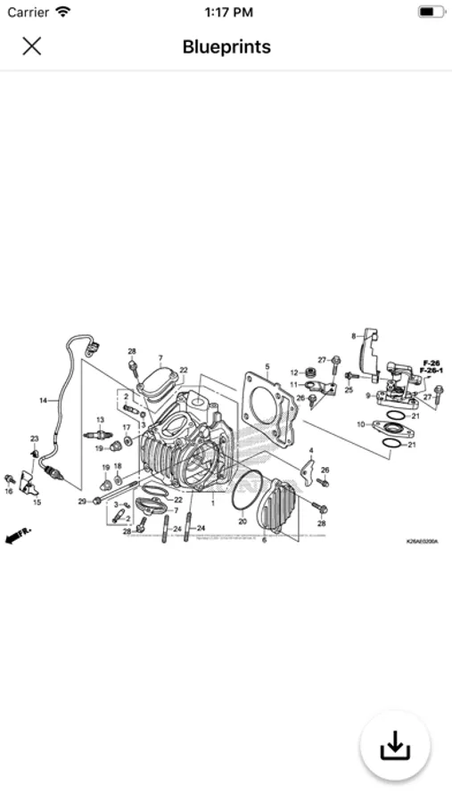
• Exploded view of many different parts
• Torque values
Then you've come to the right place, everything you need to maintain your Honda MSX125 and keep it in the best possible condition!
Feature-packed with;
• Good UI
• Easy to use
• Exploded view of many different parts
• Torque values
Show More