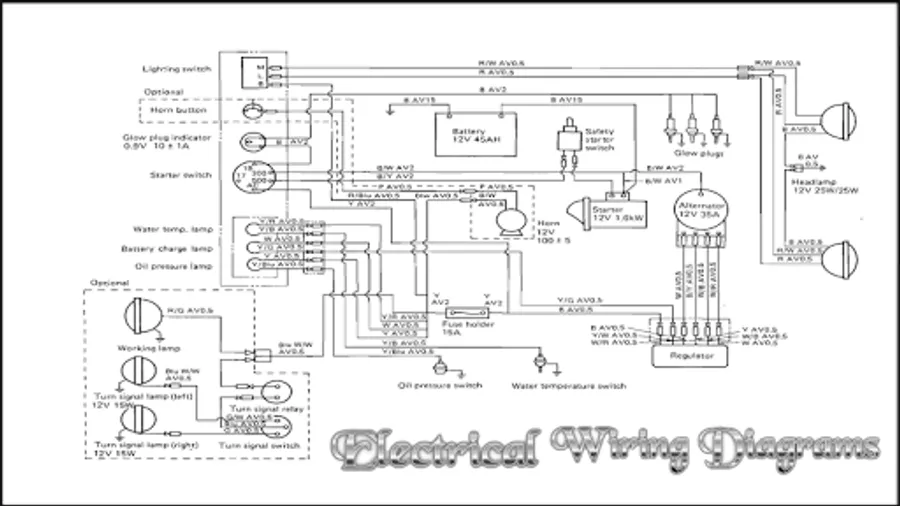
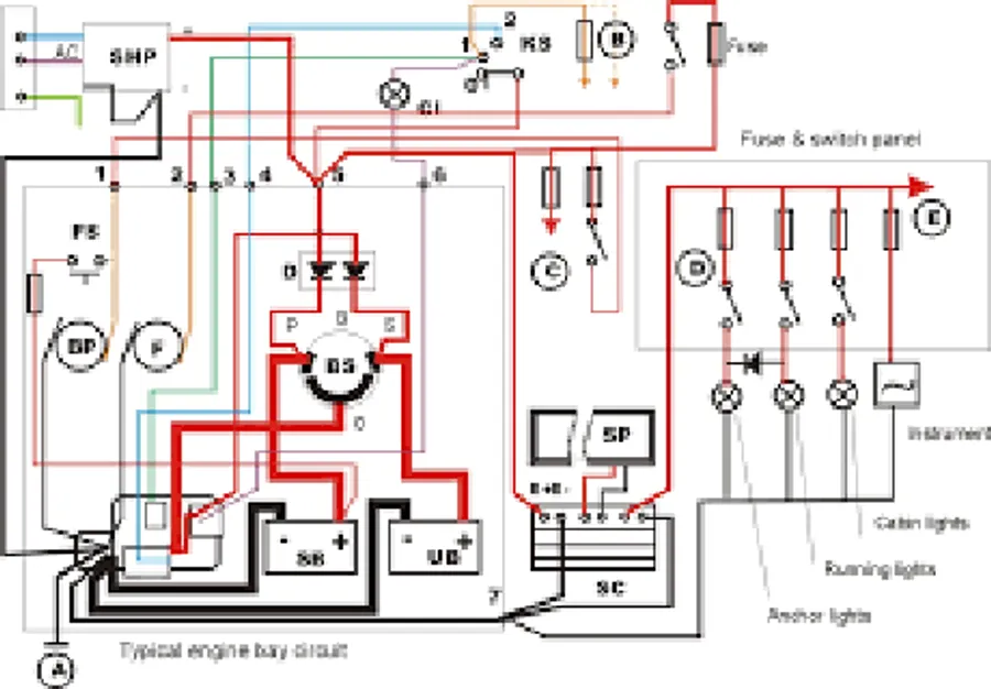
Wiring Diagrams are wiring images in electrical installations, which describe the address / position of the cable, electrical symbols such as contacts / switches.
This electrical wiring diagram is very much needed by Panel Maker in the planning of making Electric Panel / Control Panel. And by the User Panel wiring diagram is used for analysis if there is a problem in the control panel.
In making the Control Panel, making electrical wiring diagram drawing is done after knowing the System / how to control and after knowing the Load / load to be used.
This electrical wiring diagram is very much needed by Panel Maker in the planning of making Electric Panel / Control Panel. And by the User Panel wiring diagram is used for analysis if there is a problem in the control panel.
In making the Control Panel, making electrical wiring diagram drawing is done after knowing the System / how to control and after knowing the Load / load to be used.
Show More