Design your electronic circuits with the power of automated parameter estimation! Your daily driver to avoid time-consuming manual iterations and calculations.
Typical use cases of CircuitShepherd:
Designing all sorts of OPAMP circuits - It really shines there!
Open loop stability analysis of OPAMP circuits (!)
Comparator based Schmitt trigger circuits - Directly measure and design the switching points (= discontinuities)
Designing Impedance Matching Networks (Faster and easier than the classic Smith chart approach.)
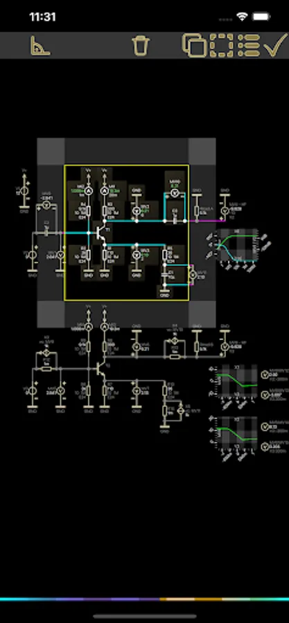
Designing basic transistor circuits (common emitter, common base, common collector, ...)
Designing simpler non-linear circuits (diode, FET, bipolar transistor)
Solving and designing resistor networks
Lower order filter design - typically PT1, PT2, Sallen-Key, low pass, high pass, band pass - It's also very useful for higher order filter design, if you are a professional.
In general CircuitShepherd is a must-have tool to solve all sorts of linear circuit problems in the AC and DC domain!
And many more ...
CircuitShepherd is a novel Electronic Design Automation software for AI driven electronics circuit engineering. You define an arbitrary schematic including specific design goals and CircuitShepherd will find the right part values for you. This is achieved by combining traditional circuit simulation techniques with AI driven parameter estimation algorithms and finally a simple and intuitive user interface. It’s easy to learn, fast to use and it will save you a lot of time by automating your daily calculation and iteration tasks.
CircuitShepherd is free to use immediately (with very basic features).
The full version with all features enabled is available via in-app purchase.
Typical use cases of CircuitShepherd:
Designing all sorts of OPAMP circuits - It really shines there!
Open loop stability analysis of OPAMP circuits (!)
Comparator based Schmitt trigger circuits - Directly measure and design the switching points (= discontinuities)
Designing Impedance Matching Networks (Faster and easier than the classic Smith chart approach.)
Designing basic transistor circuits (common emitter, common base, common collector, ...)
Designing simpler non-linear circuits (diode, FET, bipolar transistor)
Solving and designing resistor networks
Lower order filter design - typically PT1, PT2, Sallen-Key, low pass, high pass, band pass - It's also very useful for higher order filter design, if you are a professional.
In general CircuitShepherd is a must-have tool to solve all sorts of linear circuit problems in the AC and DC domain!
And many more ...
CircuitShepherd is a novel Electronic Design Automation software for AI driven electronics circuit engineering. You define an arbitrary schematic including specific design goals and CircuitShepherd will find the right part values for you. This is achieved by combining traditional circuit simulation techniques with AI driven parameter estimation algorithms and finally a simple and intuitive user interface. It’s easy to learn, fast to use and it will save you a lot of time by automating your daily calculation and iteration tasks.
CircuitShepherd is free to use immediately (with very basic features).
The full version with all features enabled is available via in-app purchase.
Show More