1 - Standard Specification IEC 60947-2
2 - Standard Specification IEC 60898
3 - Current Limit Theory
4 - electrical circuit breakers
5- Determining the Qasr Current
"6 - Cascading"
7 - Selectivity
8 - Leakage protection
"Pneumatic cutters"
"Molded Cutters"
"Ground Leakage Protection Relays"
"Products Proven on DIN Rail"
plastic distribution boards
Monitoring and measuring electrical networks.
electrical network monitoring system
3 - Compensation for ineffective capacity
" Index"
1 - General Definitions
2- The benefit of improving the power factor
3 - How to improve the power factor
4 - Where can the power factor improvement be installed?
5- Determining the optimum level to compensate for the ineffective capacity.
"6 - Effect of harmonics on the capacity of capacitor batteries"
7 - Determining the number of steps of the automatic units
Compensation for ineffective capacity
4 - Control and protection of electric motors
" Index"
1 - Functions of engine starters
"2 - Groups of movement prefixes"
"Direct D.O.L Prefixes"
"Enclosed Starters"
"Delta and Reflexive Contactors, Star Action Initiators"
"Thermo-magnetic motor circuit breaker"
"magnetic separation motor"
"magnetic disconnect switch"
"motor breaker"
Switch Disconnectors
LC1-F & LC1-D Contactors
LC1-D Contactors
LC1-K Contactors
LC1-D Contactors
LC1-F Contactors
"Thermal relays to protect against overloading"
Control relays
"Contactors and Control Relays"
"motor breaker"
5 - Relays, timers and sources of direct current feeding.
" Index"
Prevention Relays
1 - Relays using a thermistor
2 - Electronic measurement and control relays
3 - Relays with multiple functions
"Multifunctional Electronic Relays"
"electronic timers"
Electronic timing relays
Relayat for control and measurement
DC power supplies
"Control relays that love on a base"
"Smart Relays for Control and Measurement"
6 - Soft progressive movement prefixes
" Index"
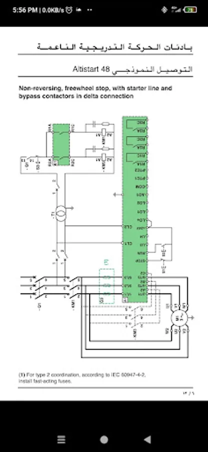
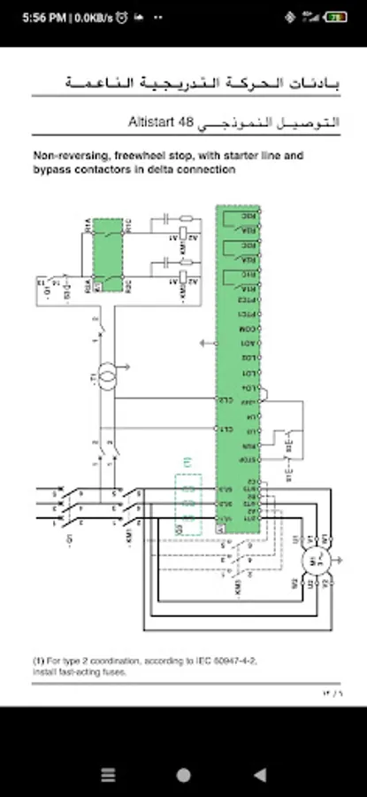
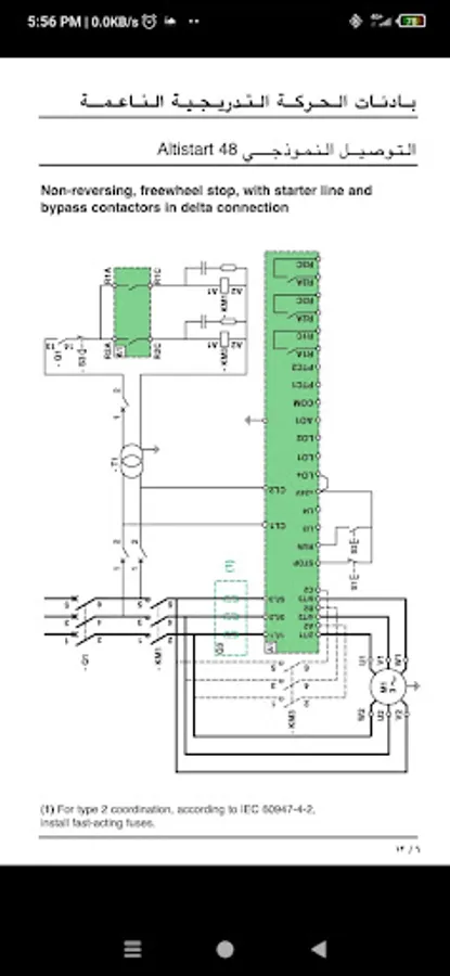
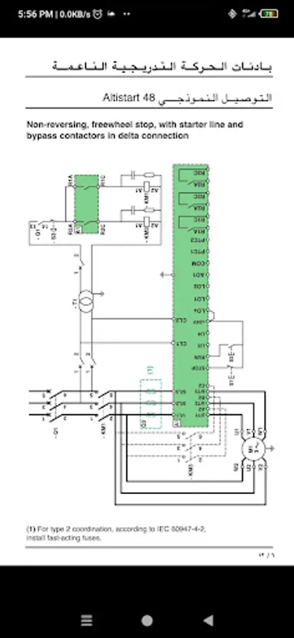
Soft Progressive Motion Initiators
Gradual motion initiators - open system
2 - Standard Specification IEC 60898
3 - Current Limit Theory
4 - electrical circuit breakers
5- Determining the Qasr Current
"6 - Cascading"
7 - Selectivity
8 - Leakage protection
"Pneumatic cutters"
"Molded Cutters"
"Ground Leakage Protection Relays"
"Products Proven on DIN Rail"
plastic distribution boards
Monitoring and measuring electrical networks.
electrical network monitoring system
3 - Compensation for ineffective capacity
" Index"
1 - General Definitions
2- The benefit of improving the power factor
3 - How to improve the power factor
4 - Where can the power factor improvement be installed?
5- Determining the optimum level to compensate for the ineffective capacity.
"6 - Effect of harmonics on the capacity of capacitor batteries"
7 - Determining the number of steps of the automatic units
Compensation for ineffective capacity
4 - Control and protection of electric motors
" Index"
1 - Functions of engine starters
"2 - Groups of movement prefixes"
"Direct D.O.L Prefixes"
"Enclosed Starters"
"Delta and Reflexive Contactors, Star Action Initiators"
"Thermo-magnetic motor circuit breaker"
"magnetic separation motor"
"magnetic disconnect switch"
"motor breaker"
Switch Disconnectors
LC1-F & LC1-D Contactors
LC1-D Contactors
LC1-K Contactors
LC1-D Contactors
LC1-F Contactors
"Thermal relays to protect against overloading"
Control relays
"Contactors and Control Relays"
"motor breaker"
5 - Relays, timers and sources of direct current feeding.
" Index"
Prevention Relays
1 - Relays using a thermistor
2 - Electronic measurement and control relays
3 - Relays with multiple functions
"Multifunctional Electronic Relays"
"electronic timers"
Electronic timing relays
Relayat for control and measurement
DC power supplies
"Control relays that love on a base"
"Smart Relays for Control and Measurement"
6 - Soft progressive movement prefixes
" Index"
Soft Progressive Motion Initiators
Gradual motion initiators - open system
Show More