Simple Motor Calculator icon

Simple Motor Calculator

Moaz Abdelhay M.
Free
10,000+ downloads

About Simple Motor Calculator

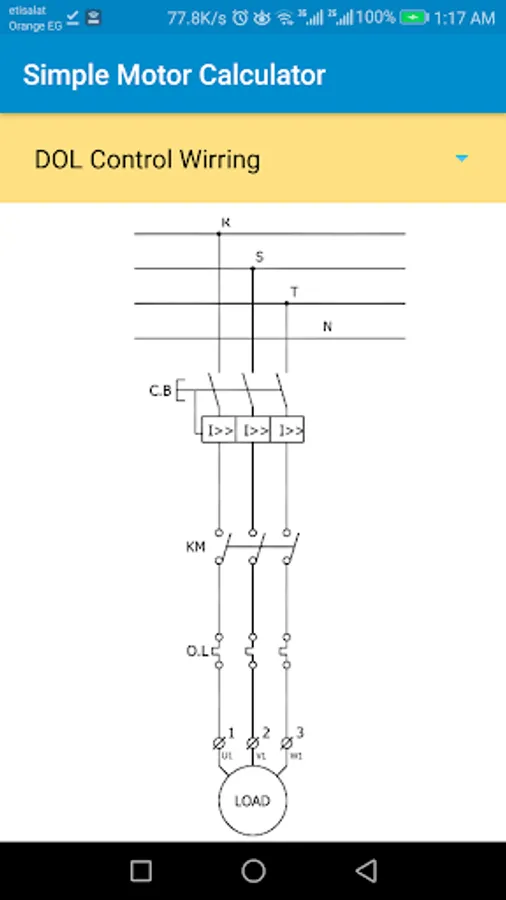
Simple application to calculate induction motor Starting component
This app help you to calculate value of motor current and capacity of main and star-delta contactors, overload , also circuit breaker

Simple Motor Calculator Screenshots