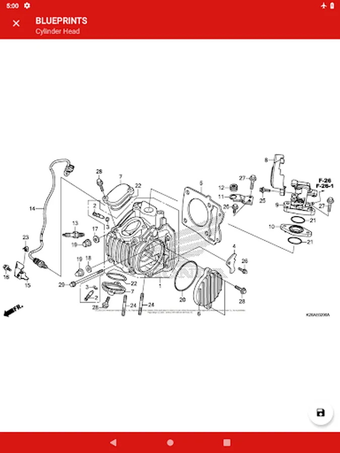
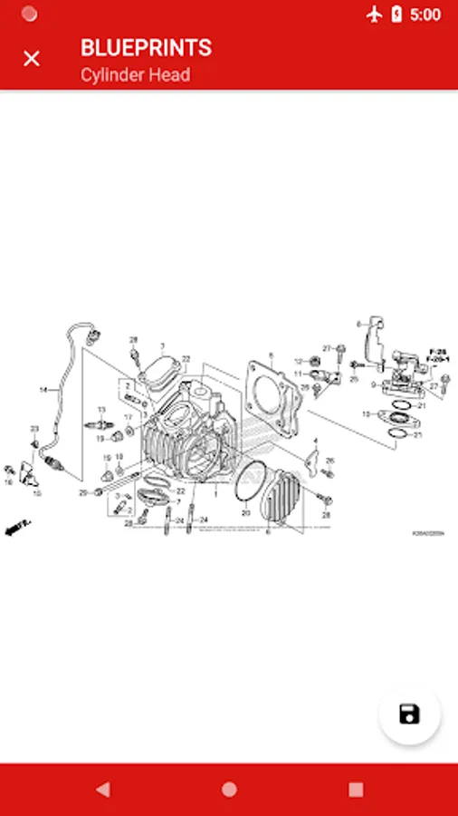
Looking for a specific part? Maybe a torque value for the cylinder bolt?
Then you've come to the right place, everything you need to maintain your Honda MSX125 and keep it in the best possible condition! 🏍
Feature-packed with;
🔥 Good UI
🔥 Easy to use
🔥 Exploded view of many different parts
🔥 Torque values
Then you've come to the right place, everything you need to maintain your Honda MSX125 and keep it in the best possible condition! 🏍
Feature-packed with;
🔥 Good UI
🔥 Easy to use
🔥 Exploded view of many different parts
🔥 Torque values
Show More