This is a free trial version of our powerful SmartSchems app.
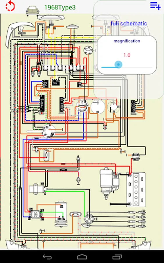
Regular schematics can make your eyes cross.
Wires bunched together, going every which way.
Enter Smart Schems.
In a nutshell, it strips away the clutter and allows you to see only what you are interested in.
Plus it offers true active schematic technology.
Clean, clear magnifiable Schematics with easy to read labels.
Click on a switch and operate it.
Turn on lights, engine, wipers etc. making Smart Schems a great learning tool for reading electrical drawings.
SmartSchemsSampler is free.
It contains a full working schematic for a Type3.
We also sell (imagine that!) the VW Collection that has over 50 Schematics covering the VW air cooled Classic period (1951 to 1971)
Why not click the down load button and see how Smart Schems can work for you?
It's ad free too!
Regular schematics can make your eyes cross.
Wires bunched together, going every which way.
Enter Smart Schems.
In a nutshell, it strips away the clutter and allows you to see only what you are interested in.
Plus it offers true active schematic technology.
Clean, clear magnifiable Schematics with easy to read labels.
Click on a switch and operate it.
Turn on lights, engine, wipers etc. making Smart Schems a great learning tool for reading electrical drawings.
SmartSchemsSampler is free.
It contains a full working schematic for a Type3.
We also sell (imagine that!) the VW Collection that has over 50 Schematics covering the VW air cooled Classic period (1951 to 1971)
Why not click the down load button and see how Smart Schems can work for you?
It's ad free too!
Show More