Motor starting methods is a mobile application dedicated to individuals in the field of electrical technologies to help them understand the various methods use for starting induction motors.
To use this application, a basic knowledge electrical technology is recommended.
This application is structured in to three separate tabs (All circuits, single phase symbols, three phase symbols)
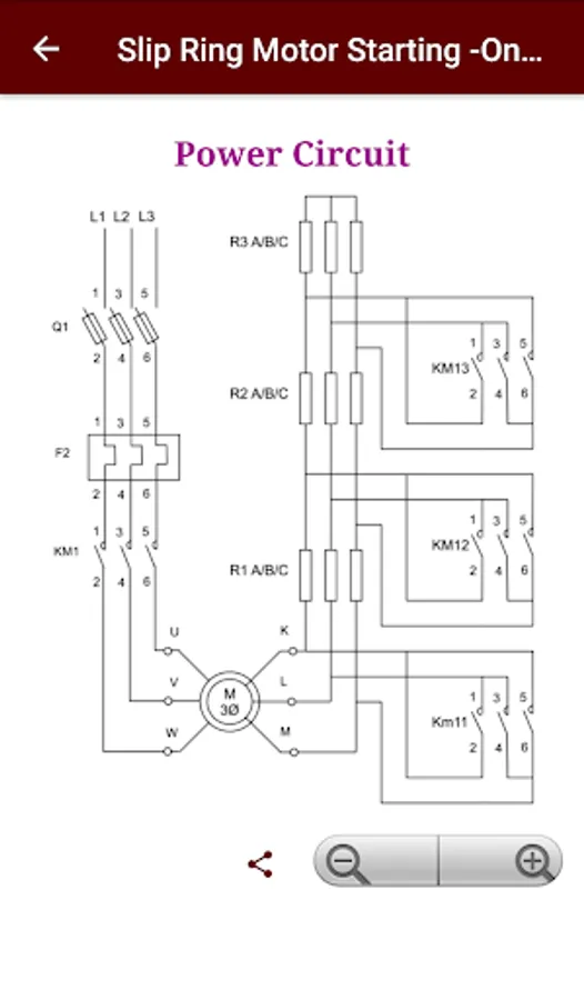
The All circuit tab which contains a list detail view of various starting circuits with explanatory for each method.
The other two tabs contains a list of single phase and three phase symbol of all devices in both EU and US/CAN standards used in the application respectively.
To use this application, a basic knowledge electrical technology is recommended.
This application is structured in to three separate tabs (All circuits, single phase symbols, three phase symbols)
The All circuit tab which contains a list detail view of various starting circuits with explanatory for each method.
The other two tabs contains a list of single phase and three phase symbol of all devices in both EU and US/CAN standards used in the application respectively.
Show More