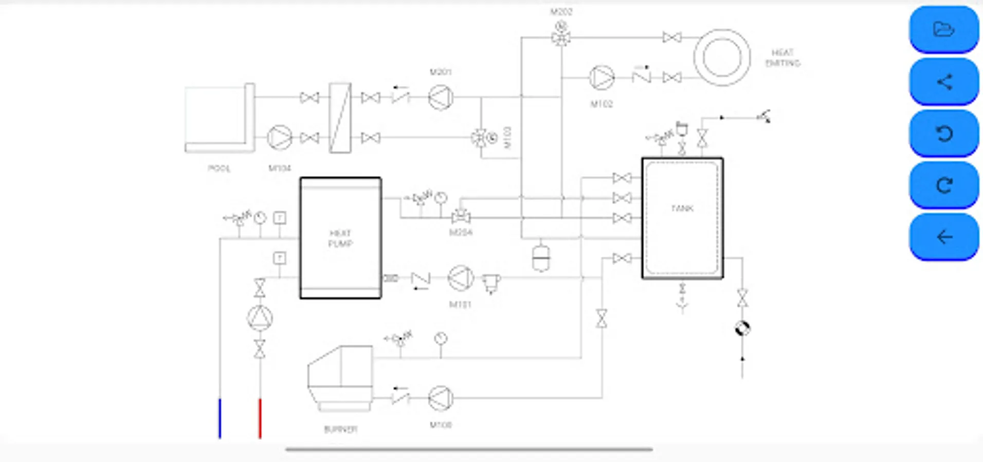
This tool will allow you to create your own hydraulic diagram (heat, cold, air conditioning) quickly and easily, you simply have to select the symbol you want to use, drag and drop it in the desired position.
Symbols:
Valves: 2, 3 and 4-way, mixing, control, balancing, butterfly, gate, safety, overflow, non-return, thermostatic, pump, flowmeter, meter, flow switch, pressure gauge, air and dirty separator, drain, temperature probe, boiler, heat pump, indoor and outdoor unit, inter-accumulator, heat and cold exchanger, collector, thermostat, radiator, underfloor heating, pressure reducer, filter, resistor, sleeve, tap, buffer tank, gas, solar panels, coil, oven, swimming pool, emitters.
-------------
# FREE Version #
* You can create your hydraulic scheme with the same symbols as the PRO Version
* You can only work with an outline although you can share it as an image, pdf or file
* Once a scheme is created you will no longer be able to open another (they are not saved)
* Contains ads
# PRO version # (1 - In-App Purchases)
* You can open, edit and save a scheme
* Open the following examples (see link)
* Does not contain ads
-------------
* More examples: https://drive.google.com/drive/folders/1W6HFnDNsZAZonUlPn5tEPEnbZOuACjxN?usp=sharing
Symbols:
Valves: 2, 3 and 4-way, mixing, control, balancing, butterfly, gate, safety, overflow, non-return, thermostatic, pump, flowmeter, meter, flow switch, pressure gauge, air and dirty separator, drain, temperature probe, boiler, heat pump, indoor and outdoor unit, inter-accumulator, heat and cold exchanger, collector, thermostat, radiator, underfloor heating, pressure reducer, filter, resistor, sleeve, tap, buffer tank, gas, solar panels, coil, oven, swimming pool, emitters.
-------------
# FREE Version #
* You can create your hydraulic scheme with the same symbols as the PRO Version
* You can only work with an outline although you can share it as an image, pdf or file
* Once a scheme is created you will no longer be able to open another (they are not saved)
* Contains ads
# PRO version # (1 - In-App Purchases)
* You can open, edit and save a scheme
* Open the following examples (see link)
* Does not contain ads
-------------
* More examples: https://drive.google.com/drive/folders/1W6HFnDNsZAZonUlPn5tEPEnbZOuACjxN?usp=sharing
Show More