About InstElectric Pro - Electricity
Tool to support the calculation of electrical installations that will allow the user (designer/electrician/technician) to perform electrical calculations easily and quickly.
· Dimensioning complete of low voltage circuits with the most frequent installation methods
· Phase cable size, neutral, protective conductor
· Criteria based on the admissible current of the cable, voltage drop and overcurrent protection
· Designation of the most used cables.
· Circuits with automatic circuit breaker until In=4000 A (Ir rating setting), maximum fuse In=1600 A (gG type), maximum 12 conductors parallel per phase, maximum size 630 mm²
· Short-circuits, including MV network, LV lines and final circuit
· Estimate of the maximum short-circuit current (simplified method)
· Maximum protected length for minimum short circuit (approximate method)
· Earthing system with diferentes types of electrodes (rods, buried conductor, rings and grid)
· Distance between the earthing systems
· Forecast of loads of a building destined to houses with several sections: dwellings, common services, commercial premises/offices and garage with/without infrastructure for recharging electric vehicles
· Reactive power of the capacitor bank for the compensation of the power factor (cos φ) and capacity (µF) of the capacitors
· C/K Factor for automatic capacitor bank
· Frequency resonance capacitors
· Compensation of the power factor for a three-phase transformer
· Choice of installation system in the function of the circuit, cable and its situation
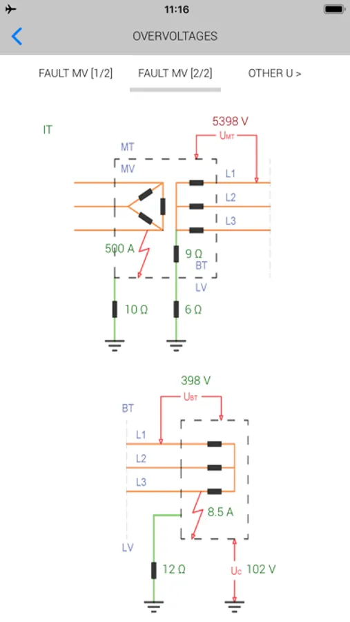
· Overvoltage due to defects to earth in medium voltage MV depending on the earthing systems
· Power in an unbalanced three-phase system
· Overvoltages due to loss of neutral conductor, earth fault and short circuit
· Electricity parameters of a single-phase or three-phase (balanced)
· Transformer performance
· Secondary voltage of a transformer acoording to switch position
· Distribution of load of transformers in parallel
· K-Factor transformer
· Current transformer
· Verification resistance of the assembly to short-circuits
· Dissipated power of a assembly
· Size of trays and conduits
· Conduits characteristics according to the installation method
· Conversions of wire sizes (mm²-awg) and conduits threads
· Impedance, resistance and reactance of a cable
· Representation of the curves of the protections
· International protection IP - IK
Parameter settings for calculations:
· Constants (voltages, conductivity, temperatures, etc.) that affect electrical calculations
· Protections (circuit breakers and fuses)
· Selection of minimum rate for circuit-breakers with regulation and maximum cable size for multi-conductor grouping per phase
· Method estimation of the reactance
· Conductivity of the conductor depending on the current of the circuit (constant, according to the expected current, maximum cable temperature)
· Use reduction factors by grouping cables/circuits
· Use of factors of diversity/utilization
· Reference documents: IEC Standards, REBT (sp), Technical Application Guide, (UE) 2016/364
IN NO CASE SHALL THE AUTHOR BE LIABLE FOR ANY DIRECT OR INDIRECT DAMAGES AS A RESULT OF THE CORRECT OR INCORRECT USE OF THE APPLICATION
· Dimensioning complete of low voltage circuits with the most frequent installation methods
· Phase cable size, neutral, protective conductor
· Criteria based on the admissible current of the cable, voltage drop and overcurrent protection
· Designation of the most used cables.
· Circuits with automatic circuit breaker until In=4000 A (Ir rating setting), maximum fuse In=1600 A (gG type), maximum 12 conductors parallel per phase, maximum size 630 mm²
· Short-circuits, including MV network, LV lines and final circuit
· Estimate of the maximum short-circuit current (simplified method)
· Maximum protected length for minimum short circuit (approximate method)
· Earthing system with diferentes types of electrodes (rods, buried conductor, rings and grid)
· Distance between the earthing systems
· Forecast of loads of a building destined to houses with several sections: dwellings, common services, commercial premises/offices and garage with/without infrastructure for recharging electric vehicles
· Reactive power of the capacitor bank for the compensation of the power factor (cos φ) and capacity (µF) of the capacitors
· C/K Factor for automatic capacitor bank
· Frequency resonance capacitors
· Compensation of the power factor for a three-phase transformer
· Choice of installation system in the function of the circuit, cable and its situation
· Overvoltage due to defects to earth in medium voltage MV depending on the earthing systems
· Power in an unbalanced three-phase system
· Overvoltages due to loss of neutral conductor, earth fault and short circuit
· Electricity parameters of a single-phase or three-phase (balanced)
· Transformer performance
· Secondary voltage of a transformer acoording to switch position
· Distribution of load of transformers in parallel
· K-Factor transformer
· Current transformer
· Verification resistance of the assembly to short-circuits
· Dissipated power of a assembly
· Size of trays and conduits
· Conduits characteristics according to the installation method
· Conversions of wire sizes (mm²-awg) and conduits threads
· Impedance, resistance and reactance of a cable
· Representation of the curves of the protections
· International protection IP - IK
Parameter settings for calculations:
· Constants (voltages, conductivity, temperatures, etc.) that affect electrical calculations
· Protections (circuit breakers and fuses)
· Selection of minimum rate for circuit-breakers with regulation and maximum cable size for multi-conductor grouping per phase
· Method estimation of the reactance
· Conductivity of the conductor depending on the current of the circuit (constant, according to the expected current, maximum cable temperature)
· Use reduction factors by grouping cables/circuits
· Use of factors of diversity/utilization
· Reference documents: IEC Standards, REBT (sp), Technical Application Guide, (UE) 2016/364
IN NO CASE SHALL THE AUTHOR BE LIABLE FOR ANY DIRECT OR INDIRECT DAMAGES AS A RESULT OF THE CORRECT OR INCORRECT USE OF THE APPLICATION
InstElectric Pro - Electricity Screenshots
Tap to Rate: