About Piping
Piping App is an excellent handy tool for Piping Engineers, Designers, Mechanical Engineers, Pipe Fabricators, Pipe Fitters, Pipe Inspectors, Purchasers, Sales and Engineering Students. It can help user quick easy obtain the dimensions, tolerances, weights, volumes, surface areas, PT-Ratings and other piping design information, increase efficiency and lightens the burden of looking up piping information.
Piping App provides all dimension, tolerance and PT-Rating data for piping components compliant with ASME, API, EN and JIS relevant Standard. Display unit can be set to Metric and US Customary for ASME and API piping components. Now it contains:
--ASME--
● Pipe
- ASME B36.10M
- ASME B36.19M
● Fitting
- ASME B16.9
- ASME B16.11
● Flange
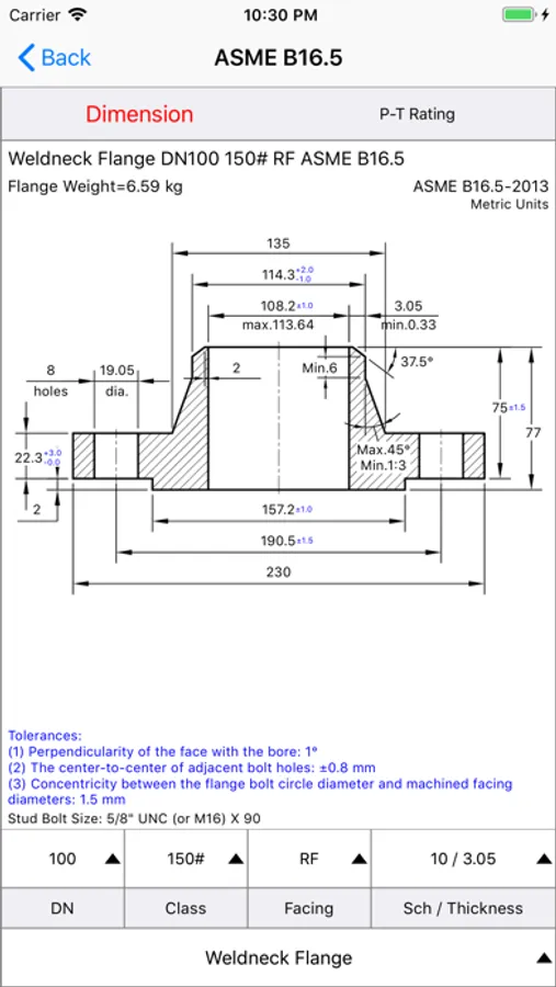
- ASME B16.5
- ASME B16.47
- ASME B16.36
- ASME B16.24
- ASME B16.1
● Gasket
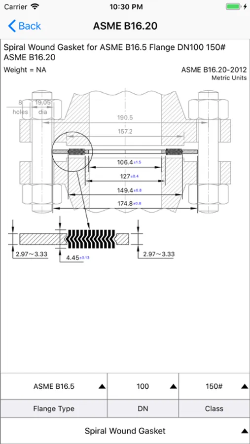
- ASME B16.20
- ASME B16.21
● Line Blank
- ASME B16.48
--API--
● Flange
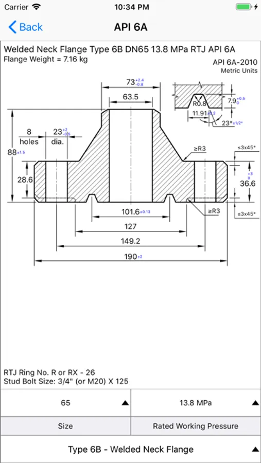
- API Specification 6A
● Gasket
- API Specification 6A
--EN--
● Pipe
- EN 10220
- EN ISO 1127
● Fitting
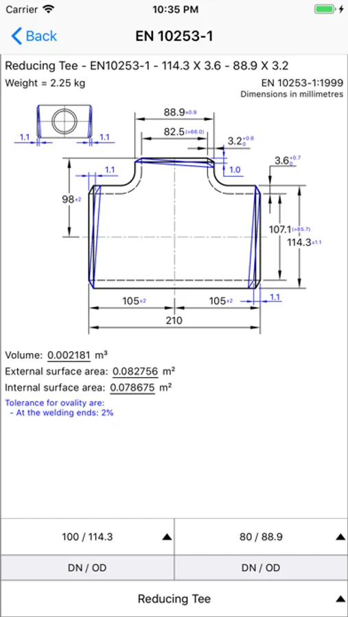
- EN 10253-1
- EN 10253-2
- EN 10253-3
- EN 10253-4
● Flange
- EN 1092-1
- EN 1092-2
- EN 1092-3
- EN 1092-4
● Gasket
- EN 1514-1
- EN 1514-2
- EN 1514-3
- EN 1514-4
- EN 1514-6
- EN 1514-7
- EN 1514-8
--JIS--
● Pipe
- JIS G3452
- JIS G3454
- JIS G3455
- JIS G3456
- JIS G3457
- JIS G3458
- JIS G3459
- JIS G3468
● Fitting
- JIS B2302
- JIS B2311
- JIS B2312
- JIS B2313
- JIS B2316
● Flange
- JIS B2220
- JIS B2239
- JIS B2240
- JIS B2241
● Gasket
- JIS B2404
Piping App provides extra high quality drawing for all piping component complaint with above standard. User interface is very friendly with adding the gesture and animation. Main user interface is presented group by standard system for easy access to each page by sliding the screen.
Piping App is continually updated to remain compliant with changes in each piping standard, more data and functions relevant piping will be added to this app in the future.
Piping App provides all dimension, tolerance and PT-Rating data for piping components compliant with ASME, API, EN and JIS relevant Standard. Display unit can be set to Metric and US Customary for ASME and API piping components. Now it contains:
--ASME--
● Pipe
- ASME B36.10M
- ASME B36.19M
● Fitting
- ASME B16.9
- ASME B16.11
● Flange
- ASME B16.5
- ASME B16.47
- ASME B16.36
- ASME B16.24
- ASME B16.1
● Gasket
- ASME B16.20
- ASME B16.21
● Line Blank
- ASME B16.48
--API--
● Flange
- API Specification 6A
● Gasket
- API Specification 6A
--EN--
● Pipe
- EN 10220
- EN ISO 1127
● Fitting
- EN 10253-1
- EN 10253-2
- EN 10253-3
- EN 10253-4
● Flange
- EN 1092-1
- EN 1092-2
- EN 1092-3
- EN 1092-4
● Gasket
- EN 1514-1
- EN 1514-2
- EN 1514-3
- EN 1514-4
- EN 1514-6
- EN 1514-7
- EN 1514-8
--JIS--
● Pipe
- JIS G3452
- JIS G3454
- JIS G3455
- JIS G3456
- JIS G3457
- JIS G3458
- JIS G3459
- JIS G3468
● Fitting
- JIS B2302
- JIS B2311
- JIS B2312
- JIS B2313
- JIS B2316
● Flange
- JIS B2220
- JIS B2239
- JIS B2240
- JIS B2241
● Gasket
- JIS B2404
Piping App provides extra high quality drawing for all piping component complaint with above standard. User interface is very friendly with adding the gesture and animation. Main user interface is presented group by standard system for easy access to each page by sliding the screen.
Piping App is continually updated to remain compliant with changes in each piping standard, more data and functions relevant piping will be added to this app in the future.
Piping Screenshots
Tap to Rate: