Informacije o rezervnim delovima i uputstvima na vasem smart telefonu.
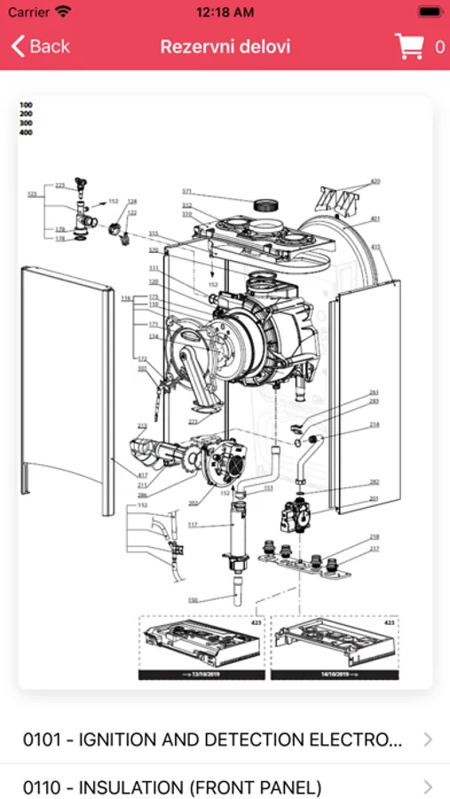
Zelite da proverite informacije o ceni rezervnog dela ili da skinete tehničko uputstvo za Vas uredjaj, sada je to moguće preko nase aplikacije. Pronadjite rezevni deo putem pretraživača unosom podataka sa tipske nalepnice ili skeniranjem bar koda sa samog uredjaja.
Podjednako jednostavno pronadjite tehnicka uputstva, uputstvo mozete skinuti i kasnije ga koristiti i u offline rezimu.
Mogucnost poručivanja rezervnog dela u garanciji i vangaranciji direktno u aplikaciji putem E-mail-a.
Ariston aplikacija je aplikacija za Aristonove servisne partnere namenjena evidenciji ugradjenih uredjaja, servisnih aktivnosti (popravke u garanciji i vangaranciji) i aktiviranju produzenja garancije.
Zelite da proverite informacije o ceni rezervnog dela ili da skinete tehničko uputstvo za Vas uredjaj, sada je to moguće preko nase aplikacije. Pronadjite rezevni deo putem pretraživača unosom podataka sa tipske nalepnice ili skeniranjem bar koda sa samog uredjaja.
Podjednako jednostavno pronadjite tehnicka uputstva, uputstvo mozete skinuti i kasnije ga koristiti i u offline rezimu.
Mogucnost poručivanja rezervnog dela u garanciji i vangaranciji direktno u aplikaciji putem E-mail-a.
Ariston aplikacija je aplikacija za Aristonove servisne partnere namenjena evidenciji ugradjenih uredjaja, servisnih aktivnosti (popravke u garanciji i vangaranciji) i aktiviranju produzenja garancije.
Show More