About Kablo
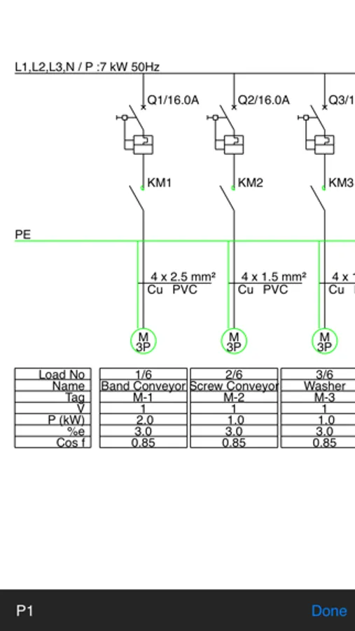
Kablo, calculates cable type and size, finds circuit breaker nominal break current and draws single line diagrams for main distribution or MCC panels power outputs for 3P or 1P 50Hz electrical circuits.
Because you can change parameters easily and see the effect of that changes immediately, you might be able to make better decision selecting right cables or breakers.
Using Kablo, you can make one quick calculation for one load or you can make calculation for several projects with up to 50 loads then you can send results as single line diagrams which can be opened by well known CAD softwares or you may prefer PDF output could be send by email or opened by iBook or any other PDF reader installed to your device.
In case you use project option, the parameters you input is kept at your device.
For calculations you have to input load parameters as usual but app supply comman parameters as default all you must do is changing defaults according to your needs.
There is some difference about In ( nomınal breking current for breaker) calculation;
Application finds the min nominal breaker current (In) but you may input higher current because breaker could be already installed or there could be a special load requires different In. Unless you input breaking current again at next calculation App finds In itself so inputing breaker current (In) as last parameter, may be a good idea.
Application finds multicore cables up to 300mm² .
Calculated cables should be considered as minumum cable size could be used.
Also, never forget that, min and max short circuit currents are not taken into account yet.
Findings of Kablo should be taken account as reference source and checked by an engineer.
Because you can change parameters easily and see the effect of that changes immediately, you might be able to make better decision selecting right cables or breakers.
Using Kablo, you can make one quick calculation for one load or you can make calculation for several projects with up to 50 loads then you can send results as single line diagrams which can be opened by well known CAD softwares or you may prefer PDF output could be send by email or opened by iBook or any other PDF reader installed to your device.
In case you use project option, the parameters you input is kept at your device.
For calculations you have to input load parameters as usual but app supply comman parameters as default all you must do is changing defaults according to your needs.
There is some difference about In ( nomınal breking current for breaker) calculation;
Application finds the min nominal breaker current (In) but you may input higher current because breaker could be already installed or there could be a special load requires different In. Unless you input breaking current again at next calculation App finds In itself so inputing breaker current (In) as last parameter, may be a good idea.
Application finds multicore cables up to 300mm² .
Calculated cables should be considered as minumum cable size could be used.
Also, never forget that, min and max short circuit currents are not taken into account yet.
Findings of Kablo should be taken account as reference source and checked by an engineer.
Kablo Screenshots
Tap to Rate: